Direkt zum Inhalt Direkt zur Navigation
Sie sind hier: Startseite Berichte Zeitgeschichte Schon vor 77.000 Jahren lebten und schliefen Menschen auf medizinisch genutzten Pflanzen Mikrofoto eines geologischen Dünnschliffes der Pflanzenbettungen (Maßstab in der linken unteren Bildecke 0,1mm). Die laminierten Überreste der Blätter und Stengel sind hier als kieselsäure-haltige Fossilien erhalten. Diese Pflanzenbettungen datieren auf 77.000 Jahre vor heute. . Quelle: Foto Miller (idw)
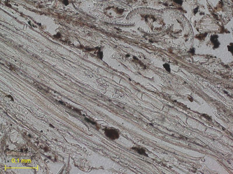
Mikrofoto eines geologischen Dünnschliffes der Pflanzenbettungen (Maßstab in der linken unteren Bildecke 0,1mm). Die laminierten Überreste der Blätter und Stengel sind hier als kieselsäure-haltige Fossilien erhalten. Diese Pflanzenbettungen datieren auf 77.000 Jahre vor heute. .
Quelle: Foto Miller (idw)

Mikrofoto eines geologischen Dünnschliffes der Pflanzenbettungen (Maßstab in der linken unteren Bildecke 0,1mm). Die laminierten Überreste der Blätter und Stengel sind hier als kieselsäure-haltige Fossilien erhalten. Diese Pflanzenbettungen datieren auf 77.000 Jahre vor heute. . Quelle: Foto Miller (idw)